DR6型全自动换向阀 |
||||||||||
![]() |
||||||||||
| 概述 | ||||||||||
|
DR6型全自动换向阀,是专门针对高压、大排量双线终端式干油集中润滑系统,而精心策划、设计开发的新产品。 该阀的成功开发,对双线终端式干油集中润滑系统来讲是一个伟大的创新,它集原系统中所使用的电磁/电动二位四通换向阀和压力操纵阀/压差开关,二种设备的组合功能于一体,从而大大减少了设备本身入多种设备共同参与电器控制发生的故障的概率,而且还进一步优化了润滑系统的电器控制。 |
||||||||||
| 技术参数 | ||||||||||
|
||||||||||
| 使用要领 | ||||||||||
|
1、DR6型全自动换向阀建议在公称压力为40MPa以下、排量大于150ml/min的系统中使用,阀的实际切换油压最大不要超过38MPa。 2、安全使用时必须仔细确认阀的进油口P与润滑泵的供油口连接,阀的回油口连接,且要保证回油连接管路卸荷畅通。 3、根据干油润滑系统实际的工作情况,合理调整好换向切换油压的值的设定(调压螺丝右旋换向压力升高,左旋换向压力降低),调整完毕后及时拧紧好锁紧螺母。 4、应不定期地经常检查润滑系统末端双线分配器给油动作的情况,若系统末端供油压力过低,应及时调高此阀的换向压力。 |
||||||||||
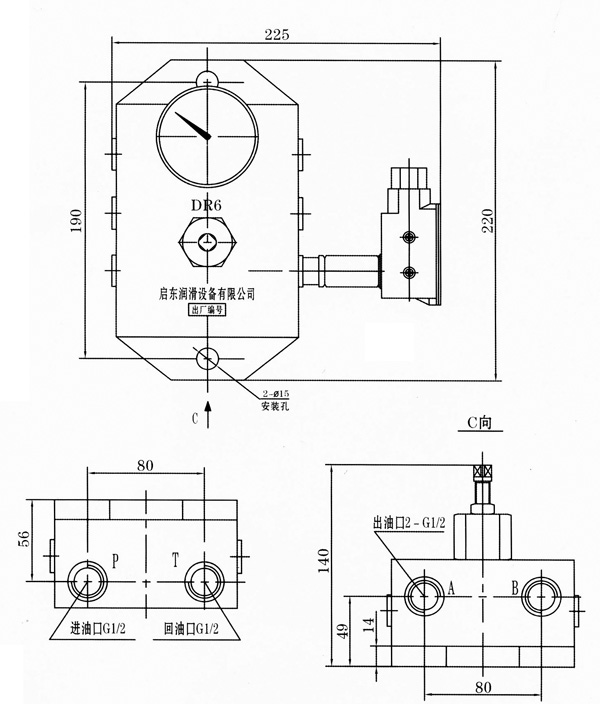
| 外形尺寸 | ||||||||||
![]() |
||||||||||
| 随机备件 | ||||||||||
| QRF60609 弹簧 一件 |