设为首页
|
加入收藏
网站首页
公司简介
产品展示
产品目录
新闻中心
荣誉资质
联系我们
营销网络
电子邮局
产品导航
电动润滑泵
手(脚)动润滑泵
加油泵
双线分配器
单线分配器
换向阀、操纵阀及其附件
稀油润滑装置及稀油站
稀油润滑元件
管件部分
油气润滑元件
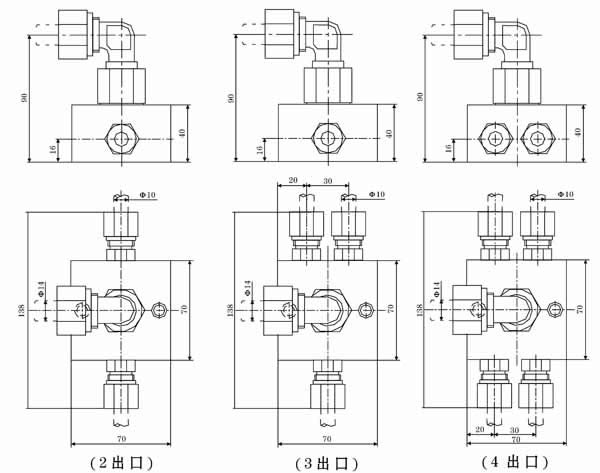
TRFLG*型油气分流器
一、结构特点及应用范围
TRFLG*型油气分流器,它是由铜合金材料制造的,依据气-液二相介质而巧妙精心设计完全能实现均衡分流功能的壳体和分流芯等件组成。适用于混合式油气润滑系统中作为初级分流使用,也可适用于油气耗量较大的机组设备作为一级分流器直接向润滑点供送油气。
二、技术参数
型号
出气压力
出口数
油气进口管径mm
油气出口管径mm
TRFLG2
0.2~0.8MPa
2
φ12,φ14,φ16
φ18,φ22
φ6,φ8,φ10
TRFLG3
3
TRFLG4
4
三、订货示例