| ● 单向阀接头 |
JB/ZQ4573-86
逆向接头 正向接头 |
|
代号(订货号) |
d(Rc)(R) |
L |
L1 |
S |
方 向 |
重量(kg) |
对应号 |
ZY434.1.00 |
1/4 |
54 |
13 |
22 |
正 |
0.181 |
|
ZY434.2.00 |
逆 |
|
ZY434.3.00 |
3/8 |
56 |
逆 |
0.187 |
|
ZY434.4.00 |
正 |
|
ZY434.5.00 |
1/8 |
50 |
10 |
17 |
逆 |
0.07 |
|
ZY434.6.00 |
正 |
|
|
标记示例:连接螺纹为Rc1/4的逆向单向阀接头 单向阀接头Rc1/4-N ZY434.2.00
连接螺纹为Rc1/4的正向单向阀接头 单向阀接头Rc1/4-E ZY434.1.00 |
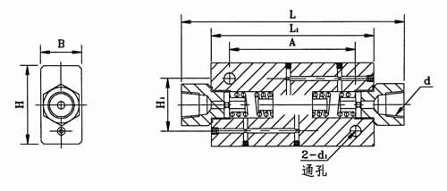
| ● 双向逆止阀接头 |
|
| 开启压力:0.44MPa;使用介质:润滑脂NLG0~2#。 |
代号(订货号) |
d |
L |
B |
H |
A |
L1 |
H1 |
S |
D |
d1 |
重量(kg) |
对应号 |
ZY439.2.00 |
Rc3/8 |
154 |
28 |
47 |
80 |
110 |
30 |
24 |
27.6 |
9 |
1.1 |
YF12.2 |
ZY439.3.00 |
Rc3/4 |
210 |
40 |
76 |
120 |
154 |
50 |
34 |
39 |
11 |
1.74 |
YF12.3 |
|
| 标记示例:双向逆止阀接头Rc3/8 ZY439.2.00 |