| 一、概 述 |
| 本产品适用于稀油润滑系统或液压传动系统中,作为输送润滑油或作为液压系统动力源的油泵装置,也可用于排送无腐蚀性的润滑液体介质。适用介质的粘度等级为N22~N460(相当于ISO VG22~VG460)的工业润滑油或液压油。 |
|
| 二、技术参数 |
型 号 |
公称压力MPa |
|
|
重量kg |
型 号 |
公称流量 |
吸入高度 |
型 号 |
功率 |
转速 |
WBZ2-16 |
0.63 |
CB3-B16 |
16 |
500 |
Y90S-4-B3 |
1.1 |
1400 |
55 |
WBZ2-25 |
CB3-B25 |
25 |
56 |
WBZ2-40 |
CB3-B40 |
40 |
Y100L1-4-B3 |
2.2 |
1420 |
80 |
WBZ2-63 |
CB3-B63 |
63 |
100 |
WBZ2-100 |
CB3-B100 |
100 |
Y112M-4-B3 |
4 |
1440 |
118 |
WBZ2-125 |
CB3-B125 |
125 |
146 |
|
| |
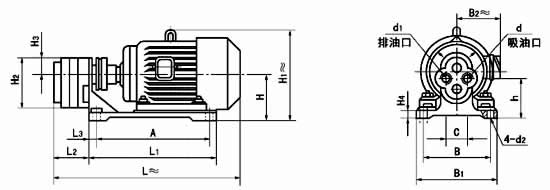
| 三、外形尺寸 |
|
型号 |
L≈ |
L1 |
L2 |
L3 |
A |
B |
B1 |
B2≈ |
C |
H |
H1≈ |
H2 |
H3 |
H4 |
h |
d |
d1 |
d2 |
WBZ2-16 |
448 |
360 |
76 |
27 |
310 |
160 |
220 |
155 |
50 |
130 |
230 |
128 |
43 |
30 |
109 |
G3/4" |
G3/4" |
15 |
WBZ2-25 |
456 |
|
48 |
WBZ2-40 |
514 |
406 |
92 |
25 |
360 |
215 |
250 |
180 |
55 |
142 |
287 |
152 |
50 |
|
116 |
G1" |
G3/4" |
15 |
WBZ2-63 |
546 |
433 |
104 |
387 |
244 |
290 |
190 |
|
162 |
315 |
136 |
WBZ2-100 |
660 |
485 |
119 |
27 |
433 |
250 |
300 |
210 |
65 |
172 |
345 |
185 |
60 |
40 |
140 |
G1 1/4 " |
G1" |
15 |
WBZ2-125 |
702 |
500 |
126 |
448 |
280 |
330 |
200 |
383 |
168 |
|
| |
| 四、型号说明 |
 |
| |
| |
| |