一、概述
DRB-J系列电动润滑泵适用于公称压力为10MPa的双线喷射集中润滑系统中,电动润滑泵输出的润滑油经双线分配器定量分配后送到喷射阀,由输入的油压自动打开压缩空气管路单向阀将润滑油形成油气雾状喷射到机器设备的摩擦部位上。特别适用于开式齿轮传动的齿轮齿面,支承辊轮,滑动导轨面等机器摩擦部位的润滑。
|
|
|
二、技术参数
型号 |
公称压力MPa |
公称流量 |
贮油器 |
配管方式 |
蓄能器容积ml |
电动机功率kW |
减速比 |
转速r/min |
减速器润滑油量L |
重量kg |
标准型号 |
引进型号 |
ml/min |
容积L |
DRB-J60Y-H |
U-25DL |
10 |
60 |
16 |
环式 |
50 |
0.37 |
1:15 |
100 |
1 |
140 |
DRB-J195Y-H |
U-4DL |
195 |
26 |
0.75 |
1:20 |
75 |
2 |
210 |
使用介质为粘度不小于120cSt的润滑油。 |
| |
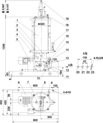
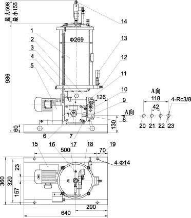
| 三、 外形尺寸 |
|
|
| DRB-J60Y-H电动润滑泵外形图 DRB-J195Y-H电动润滑泵外形图 |
| |
|
| |
| 四、型号标注说明 |
 |
| |
| 五、结构特征 |
| 该系列电动润滑油泵由柱塞泵、贮油器、液压换向阀、蓄能器、电动机等部分组成。柱塞泵在电动机的驱动下,从贮油器吸入润滑油,压送到液压换向阀,换向阀有四个接口,外接两根供油主管和分别由两根供油主管引回的回油管,依靠回油管内润滑油的压力推动液压换向阀换向交替地沿两个出油口将润滑油输送出去,当一个出油口压送润滑脂时,另一油口与贮油器接通卸荷,蓄能器的两油口分别与换向阀的两供油出口并接,使得管路换向供油后的瞬间能及时得到补充供油。 |
| |
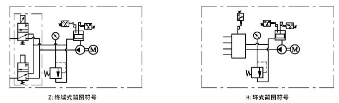
| 六、图形符号 七、接线指示 |
 |
| |
八、使用说明
1、该系列电动润滑泵应安装在环境温度合适,灰尘少,振动小,通风干燥,且便于补油、调整、检查和维修保养等都方便的场合。如在室外或环境条件恶劣的场合使用时,应采取防护措施。
2、贮油器内加注润滑油,应使用DJB-V70型或DJB-V400型电动加油泵,从润滑泵补给口注入。(补给口内装有过滤器)。
3、润滑泵运转前必须向泵的减速机腔加注润滑油(工业齿轮油N220)达到规定油标液位,减速机腔的润滑油在润滑泵投入使用200小时,以后每隔200小时应检查更换。
4、润滑泵的回转方向是单向的,使用时必须按电机上旋向牌规定的旋向接线使用。
5、泵的溢流阀设定压力,可以在0~10MPa范围内任意调整,在使用时不允许超过泵的公称压力的10%(11MPa)。
6、油泵的工作原理及常见故障处理详见使用说明书。 |
| |