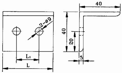
| 一、分配器支架 |
|
|
| |
| 代号(订货号) |
适用分配器 |
d |
L |
L1 |
L2 |
重量kg |
| ZT6.5.25-1 |
DW-22 |
7 |
46 |
24 |
11 |
0.20 |
| ZT6.5.25-2 |
DW-24 |
63 |
41 |
0.28 |
| ZT6.5.25-3 |
DW-26 |
80 |
58 |
0.35 |
| ZT6.5.25-4 |
DW-28 |
100 |
78 |
0.42 |
| ZT6.5.25-5 |
DW-32 |
9 |
54 |
30 |
|
0.24 |
| DW-42 |
| DW-52 |
| ZT6.5.25-6 |
DW-34 |
86 |
62 |
0.38 |
| DW-44 |
| DW-54 |
| ZT6.5.25-7 |
DW-36 |
118 |
94 |
0.52 |
| DW-46 |
| DW-56 |
| ZT6.5.25-8 |
DW-38 |
150 |
126 |
0.06 |
| DW-48 |
| DW-58 |
|
| 标记示例:分配器支架DW-22 ZT6.5.25-1 |
| |
| 二、 支架 |
|
| 代号(订货号) |
L1 |
L |
重量(kg) |
| ZT6.5.26-1 |
20 |
50 |
0.15 |
| ZT6.5.26-2 |
28 |
65 |
0.19 |
| ZT6.5.26-3 |
30 |
70 |
0.21 |
| ZT6.5.26-4 |
42 |
75 |
0.22 |
|
| 标记示例: 支架20 ZT6.5.26-1 |
| |
| 三、分配器支架 |
|
代号(订货号) |
适用分配器 |
d |
L |
L1 |
L2 |
重量(kg) |
ZT6.5.27-1 |
DV-31 |
9 |
48 |
24 |
12 |
0.20 |
ZT6.5.27-2 |
DV-32 |
77 |
- |
38.5 |
0.22 |
ZT6.5.27-3 |
DV-33 |
53 |
29 |
12 |
0.33 |
ZT6.5.27-4 |
DV-34 |
82 |
58 |
0.35 |
ZT6.5.27-5 |
DV-41 |
54 |
30 |
0.23 |
ZT6.5.27-6 |
DV-42 |
85 |
61 |
0.36 |
ZT6.5.27-7 |
DV-43 |
116 |
92 |
0.50 |
ZT6.5.27-8 |
DV-44 |
147 |
123 |
0.63 |
ZT6.5.27-9 |
DV-51 |
63 |
33 |
15 |
0.27 |
ZT6.5.27-10 |
DV-52 |
100 |
70 |
0.44 |
ZT6.5.27-11 |
DV-53 |
137 |
107 |
0.60 |
ZT6.5.27-12 |
DV-54 |
174 |
144 |
0.77 |
ZT6.5.27-13 |
DV-61 |
72 |
42 |
0.31 |
ZT6.5.27-14 |
DV-62 |
118 |
88 |
0.51 |
|
| |
| |
|