一、概述
JPQ-K系列(原ZP型)递进分配器适用于公称压力为16MPa的单线递进式干油集中润滑系统中,把润滑脂定量地分配到各个润滑点。
|
|
|
| 二、技术参数 |
|
型号 |
公称压力Mpa |
每出油口额定给油量ml/循环 |
启动压力Mpa |
组合片数 |
出油口数 |
|
原型号 |
※
JPQ1-K
※
|
ZP-A |
16 |
0.07 0.1 0.2 0.3 |
≤1 |
3-12 |
6-24 |
※
JPQ2-K
※ |
ZP-B |
0.5 1.2 2.0 |
※
JPQ3-K
※ |
ZP-C |
0.07 0.1 0.2 0.3 |
4-8 |
6-14 |
※
JPQ4-K
※ |
ZP-D |
0.5 1.2 2.0 |
|
| 使用介质为锥入度不小于265(25℃,150g)1/10mm润滑脂或粘度等级大于N68的润滑油。适用环境温度-20~80℃。 |
| |
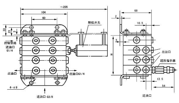
| 三、外形尺寸 |
 |
出油口个数 |
6 |
8 |
10 |
12 |
14 |
16 |
18 |
20 |
22 |
24 |
片数 |
3 |
4 |
5 |
6 |
7 |
8 |
9 |
10 |
11 |
12 |
H mm |
48 |
64 |
80 |
96 |
112 |
128 |
144 |
160 |
176 |
192 |
重量kg |
0.91 |
1.2 |
1.5 |
1.7 |
2.0 |
2.3 |
2.5 |
2.8 |
3.1 |
3.3 |
|
| |
 |
出油口个数 |
6 |
8 |
10 |
12 |
14 |
16 |
18 |
20 |
22 |
24 |
片数 |
3 |
4 |
5 |
6 |
7 |
8 |
9 |
10 |
11 |
12 |
H mm |
75 |
100 |
125 |
150 |
175 |
200 |
225 |
250 |
275 |
300 |
重量kg |
3.5 |
4.5 |
5.5 |
6.5 |
7.5 |
8.5 |
9.5 |
10.5 |
11.5 |
12.5 |
|
| |
 |
出油口个数 |
8 |
10 |
12 |
14 |
16 |
片数 |
4 |
5 |
6 |
7 |
8 |
H mm |
100 |
125 |
150 |
175 |
200 |
重量kg |
4.5 |
5.5 |
6.5 |
7.5 |
8.5 |
|
| |
| 四、型号说明 |
|
| |
| 五、使用说明 |
1、分配器为单柱塞多片组合结构,每片有两个出油口,分为JPQ1、JPQ2、JPQ3 和JPQ4四种形式。
①每种形式的分配器,一般按额定给油量相等的单片组合,需要时也可将额定油量不同的单片混合组合。
② JPQ4型组合时需有一片控制片,此片无给油口。
③相邻的二个或二个以上的给油口可以合并成一个给油口给油,此给油口的给油量为所有被合并给油口的额定给油量之和。
2、JPQ1型和JPQ2型分配器在系统中串联使用,JPQ3型和JPQ4型分配器在系统中并联使用。
3、分配器均装有一个运动指示杆,用于观察分配器工作情况。根据需要还可以安装限位开关,对润滑系统进行控制和监视。
4、JPQ2型、JPQ4型分配器根据需要可以安装超压指示器。
六、订货须知
同种型式、额定给油量不同的单片混合组合或多个出油口合并给油,订货时须另行说明。
|
| |