一、使用条件
双列式电动润滑脂泵是由电动润滑脂泵、换向阀、管路附件等组成。在同一底座上安装有两台电动润滑脂泵,一台常用、一台备用,双泵可以自动切换,通过换向阀接通运转着的泵的回路,不影响系统的正常工作,润滑脂泵的运转由电控系统来操纵,二台泵也可以同时工作。它具有压力高、流量大、远距离输脂,安全可靠等特点。 |
|
|
二、技术参数
型 号 |
公称流量mL/min |
公称压力MPa |
贮油器容积L |
配管方式 |
电机功率kW |
润滑脂锥入度(25℃,150g)1/10mm |
重 量kg |
SDRB-N60H |
60 |
31.5 |
20 |
环式 |
0.37 |
265-385 |
405 |
SDRB-N195H |
195 |
35 |
0.75 |
512 |
SDRB-N585H |
585 |
90 |
1.5 |
975 |
|
| 三、型号说明 |
|
|
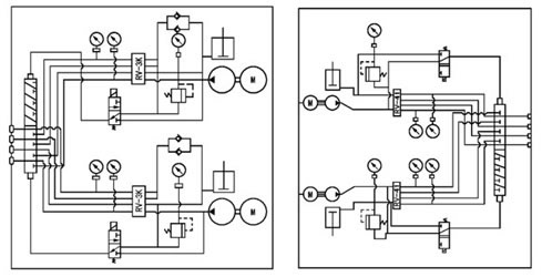
四、系统原理图
|
|
|
| |
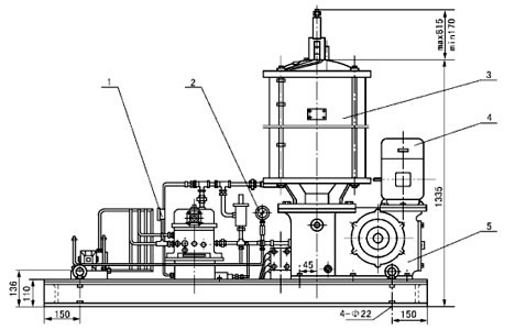
| 五、外形尺寸 |
型号 |
A |
A1 |
B |
B1 |
B1 |
B2 |
H1 |
SDRB-N60H |
1050 |
351 |
1100 |
1054 |
296 |
1036 |
598max |
155min |
SDRB-N195H |
1230 |
503.5 |
1150 |
1104 |
310 |
1083 |
670max |
170min |
|
| |
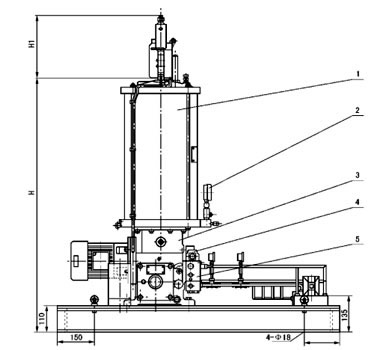
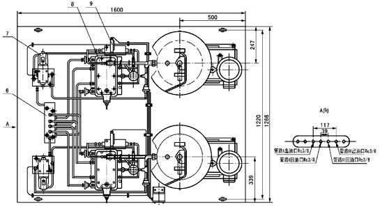
六、结构形式
|
 |
|
|
|
图4 SDRB-N585H 双列式电动润滑润滑泵外形图 |
1 - 压力表;2 - 压力表;3 - 贮油器;4 - 电动机;5 - 电动润滑脂泵
6 - 液压换向阀;7 - 电磁换向阀;8 - 液压换向阀;9 - 限位开关 |
| |
七、使用说明
本产品应安装在室内、灰尘少、振动小的干燥场所,用地脚螺栓固定在基础上。其周围应留有操作空间。安装位置应便于补给润滑脂、调试、检查、拆卸和维修等都方便的场合。
使用前须向柱塞泵的减速机腔注入润滑油(推荐工业齿轮油N220),达到油位计红线的位置。一般新润滑泵工作200小时后应更换润滑油,以后每隔2000小时定期更换新油,并要经常检查油质情况,若发现油质劣化,则应缩短更换周期。
向贮油器内充填润滑脂,必须使用加油泵从润滑脂补给口加入。使用的润滑脂应清洁,不允许有杂质、污物、灰尘、气泡等存在。
电动润滑泵的回转方向与箭头指示方向一致。在电动机接线时,应注意这一点。
溢流阀的标准调定压力为42MPa。 |