一、概述
DRB-P系列电动润滑泵适用于润滑频率高,配管长度大,润滑点密集的单、双线干稀油集中润滑系统中,作为供给润滑脂的输送装置。还可配备移动小车、胶管、油枪和电缆组成移动式电动润滑泵装置,适用于润滑频率低,润滑点少,给油量大,不便于采用集中润滑的单机设备,进行移动供脂润滑。
该系列润滑泵为电动高压柱塞式。工作压力在公称压力范围内可任意调整,有双重过载保护。贮油桶具有油位自动报警装置,润滑泵若配备电气控制箱能实现双线集中润滑系统全自动控制,并对系统实现监视。 |
|
|
二、技术参数
型 号 |
公称压力MPa |
额定给油量mL/min |
贮油器容积L |
电机 |
适用环境温度 |
重 量kg |
功率kW |
电压 |
DRB1-P120Z |
40 |
120 |
30 |
0.37 |
380 |
0~80 |
56 |
DRB2-P120Z |
0.75 |
-20~80 |
64 |
DRB3-P120Z |
60 |
0.37 |
0~80 |
60 |
DRB4-P120Z |
0.75 |
-20~80 |
68 |
DRB5-P235Z |
235 |
30 |
1.5 |
0~80 |
70 |
DRB6-P235Z |
60 |
74 |
DRB7-P235Z |
100 |
82 |
DRB8-P365Z |
365 |
60 |
74 |
DRB9-P365Z |
|
100 |
82 |
使用介质为锥入度不低于220(25℃,150g)1/10mm 的润滑脂(NLGI0#-3#)和粘度等级大于N68 的润滑油。
|
| |
|
三、型号说明
|
四、型号说明 |
 |
| |
|
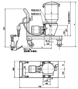
五、外形尺寸
|
|
|
规格 |
D |
H |
H1 |
B |
L |
L1 |
a |
贮油筒 |
30L |
310 |
760 |
1140 |
200 |
— |
233 |
1045 |
60L |
400 |
810 |
1190 |
230 |
— |
278 |
1095 |
100L |
500 |
920 |
1200 |
280 |
— |
328 |
1205 |
电机功率 |
0.37kW.80r/min |
— |
— |
— |
— |
500 |
— |
— |
0.75kW.80r/min |
— |
— |
— |
— |
563 |
— |
— |
1.5kW.160r/min |
— |
— |
— |
— |
575 |
— |
— |
1.5kW.250r/min |
— |
— |
— |
— |
575 |
— |
— |
|
| |
  |
(1)润滑泵的外形尺寸 (2)带小车润滑装置外形尺寸 |
| |
 |
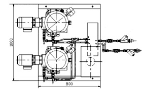
(3)双泵带电动换向阀润滑装置外形尺寸 |
| |
六、工作原理
减速电机固定于带泵装置的连接法兰上,通过驱动偏心轴带动滑叉作直线往复运动,并带动螺旋压油板和刮油板顺时针方向旋转(使用润滑油无此机构),经搅动变软的润滑脂均匀地被压到泵装置吸油口周围。
泵体内二组活塞,每组活塞由1个工作塞和2个控制活塞组成,当一组活塞中的工作活塞完成吸油过程时,另一组活塞中的工作活塞则把润滑脂压向出油口。如下图所示,当滑叉向左运动时,上组活塞完成吸油,下组活塞完成压油,开始新的工作循环。这时下组活塞1、2向左运动,活塞2在弹簧力作用下到达极限位置关闭出口,而活塞1继续向左运动,这时活塞2和1之间形成真空,其真空度随活塞1的左移不断增大,滑叉运动到极限位置活塞1打开吸油口,润滑脂从吸油口吸入,如弹簧力不足,没将活塞2推到极限位置,此时推杆3会在滑叉的推动下强制地把活塞2压到极限位置,同时上组活塞1、2、3向左运动,活塞1先关闭吸油口,被吸入的润滑脂在活塞1的推动下向左移动,当活塞2把出油口打开时,活塞2和推杆3 的运动也就停止,活塞1继续左移,把润滑脂从出油口压出,活塞1、2接触滑叉也已运动到极限位置完成半个循环的工作,如此周而复始地循环,二组活塞交替地将润滑油脂从出油口压送出来,压出的润滑脂经泵装置连接法兰上的过滤器过滤后向系统供送。
|
|
使用要领
1、该系列电动润滑泵应安装在环 境合适、灰尘少,便于调整、检查、维修和拆洗及方便补脂的地方。
2、该系列电动润滑泵应尽可能布置在系统的中心位置,缩短系统配管长度,保持最低压力降,使泵能产生足以克服润滑点背压的压力。
3、泵调压阀的设定压力,可以在0~40MPa范围内任意调节,在使用时不允许超过泵的公称压力(40MPa)。
4、泵出油口处过滤器的过滤网要定期清洗,防止堵塞。
5、若由于系列某种故障原因,使压力达到约50MPa时,保险片即破裂,要查明原因并排除后再装入新的保险片。
6、向贮油器内补充润滑剂必须使用DJB-H1.6型电动补脂泵从贮器补脂口加入。
7、贮油器内薄膜式容量指示器只适用于润滑脂,使用介质为润滑油时,必须调换成浮球式容量指示器。
8、电动减速机初用二个月必须从排气塞孔补充适量的3#二硫化钼润滑 脂,以后每隔四个月补充一次。
9、该系列电动润滑泵为室内安装型,在室外或环境恶劣的场合使用时,必须采取防护措施。
订贷说明
1、订购移动式电动润滑泵装置,必须在合同中注明所配胶管长度及电缆长度,不注的均按电缆10米,胶管3米供货。
2、本系列电动润滑泵配用以下三种形式标准电控箱,可根据不同控制要求选择订购。
2.1 GDK01型无监控电控箱
2.2 GDK02型有监控电控箱
2.3 GDK03型有监控,全自动控制电控箱
3、该系列电动润滑泵为短时间间隔工作制,有户如需长时间连接工作请合同中注明。
随供备件
1、保险片 10片(存放于泵出油口下侧的螺孔内)
2、过滤网 2套 |